
La série PCM est parfaitement adaptée aux applications industrielles, robotiques, engins de chantier. Son corps en aluminium anodisé est résistant aux environnements difficiles.
Montage :
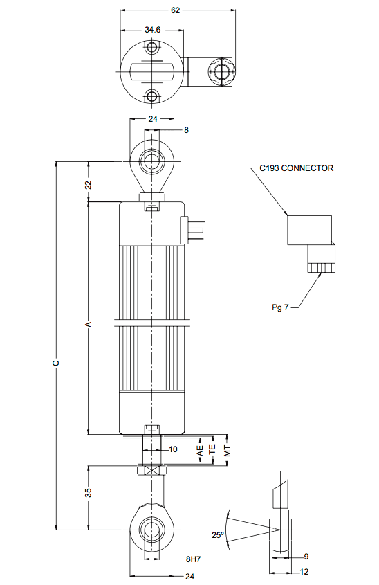
La mise en place des capteurs de position Linéaire PCM est facilitée par un système de fixation par brides. L’extrémité de la tige mobile est disponible en version rotule sphérique ou filetage.
Protection :
La version standard a un indice de protection IP65.
Matériaux :
Le corps de 35 mm de diamètre du capteur est en aluminium anodisé et la tige en acier inox.
Alimentation :
Le courant préconisé est de 1mA max. et la tension max. est de 60V.
Spécifications techniques:
- Course de 50 à 900 mm.
- Fixation et entraînement mécaniques avec auto-alignement grâce à 2 rotules sphériques.
- Linéarité jusqu’à ± 0,05%
- Répétabilité 0,01 mm
- Résolution infinie (fonction de votre système d’acquisition)
- Vitesse de déplacement maximale : 5 m/sec
- Température de travail : -30°C à +100°C
- Connexion : connecteur C193 4-broches

Courses disponibles sur le capteur de position linaire PCM

| PCM-50 PCM-175 PCM-300 PCM-450 PCM-700 | PCM-75 PCM-200 PCM-350 PCM-500 PCM-750 | PCM-100 PCM-225 PCM-375 PCM-550 PCM-800 | PCM-130 PCM-250 PCM-400 PCM-600 PCM-900 | PCM-150 PCM-275 PCM-425 PCM-650 |
Dimensions du potentiomètre linaire PCM


variohm en france distributeur variohm revendeur variohm
