
Le capteur de déplacement linéaires PZ12 propose de nombreuses options permettant une intégration facile et rapide dans tous vos développements.
Montage :
- par tige filtée,
- par rotules sphériques
- par flasque.
Protection :
La version standard a un indice de protection IP60 mais une option en IP65 est possible.
Matériaux :
Le corps cylindrique du capteur est en aluminium anodisé et la tige en acier inox.
Alimentation :
Le courant préconisé est de 1mA (10mA max.) et la tension max. est de 20V à 60V suivant les modèles.
Spécifications techniques:
- Course de 10 à 150 mm.
- Fixation et entraînement mécaniques avec auto-alignement grâce à 2 rotules sphériques, flasque de montage ou tige filetée
- Linéarité jusqu’à ± 0,05%
- Répétabilité 0,01 mm
- Résolution infinie (fonction de votre système d’acquisition)
- Vitesse de déplacement maximale 5 m/s
- Température de travail: -30°C/+100°C
- Connexion : Sortie câble (1m)

Course du capteur de position linaire PZ12-A (rotule, P=IP65)
| PZ12-A-10 | PZ12-A-100 | PZ12-A-10P | PZ12-A-100P |
| PZ12-A-25 | PZ12-A-125 | PZ12-A-25P | PZ12-A-125P |
| PZ12-A-50 | PZ12-A-150 | PZ12-A-50P | PZ12-A-150P |
| PZ12-A-75 | PZ12-A-175 | PZ12-A-75P | PZ12-A-175P |
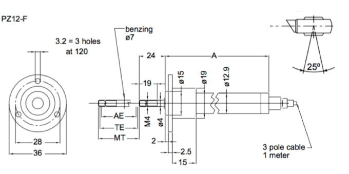
Dimensions du capteur de position linaire PZ12-A (rotule)

course & Dimensions du capteur de position linaire PZ12-F (flasque) :
| PZ12-F-10 | PZ12-F-100 | PZ12-F-10P | PZ12-F-100P |
| PZ12-F-25 | PZ12-F-125 | PZ12-F-25P | PZ12-F-125P |
| PZ12-F-50 | PZ12-F-150 | PZ12-F-50P | PZ12-F-150P |
| PZ12-F-75 | PZ12-F-175 | PZ12-F-75P | PZ12-F-175P |

Dimensions & course du capteur de position linaire PZ12-S (tige filetée)
| PZ12-S-10 | PZ12-S-100 | PZ12-S-10P | PZ12-S-100P |
| PZ12-S-25 | PZ12-S-125 | PZ12-S-25P | PZ12-S-125P |
| PZ12-S-50 | PZ12-S-150 | PZ12-S-50P | PZ12-S-150P |
| PZ12-S-75 | PZ12-S-175 | PZ12-S-75P | PZ12-S-175P |

Distributeur PZ12 en Franceurosensor
Visitez la page des PZ34, qui ont un corps moins fin et une longueur de déplacement supérieure.
Vous souhaitez plus d’informations, un devis ?
Nos derniers articles
- Capteur commutateur infrarouge détection sans contact
- CIT-F : Capteurs de pression avec offset ajustable
- Inclinomètre électronique CLINE LABS
- Mesure de position rotative ou angulaire
- Centrale inertielle certifiée aéronautique
- Capteurs linéaires pour vérins pneumatiques et hydrauliques
- EPTTE5100 : nouveau capteur pression + température
- Capteurs de déplacement à sécurité intrinsèque
- Quelles sont les différences entre une sonde PT100 et PT1000 ?
- Transducteur de pression EPT3100
- Capteurs pour sport automobile
Nos capteurs de position série PZ12 sur notre boutique de vente en ligne
Interrupteur de vide, capteur de pression, interrupteur à air, mesureur de vide, capteur de vide, transducteur de pression, transmetteur de pression, Variohm Eurosensor en France, Herga Technology en France, Fabricant européen et Pitch est revendeur en France pour interrupteur à vide et capteur

