Capteur rotatif femelle pour arbre en « D »

Spécialement développé pour les applications automobiles, ce capteur, avec un indice de protection IP66, convient à toutes les applications telle que le positionnement des papillons d’entrées d’air, de la direction, ou encore des boîtes de vitesse séquentielles.
Avec une plage de mesure de 96°, il peut être alimenté entre 5 et 24Vdc pour une sortie potentiomètrique (5kOhms).
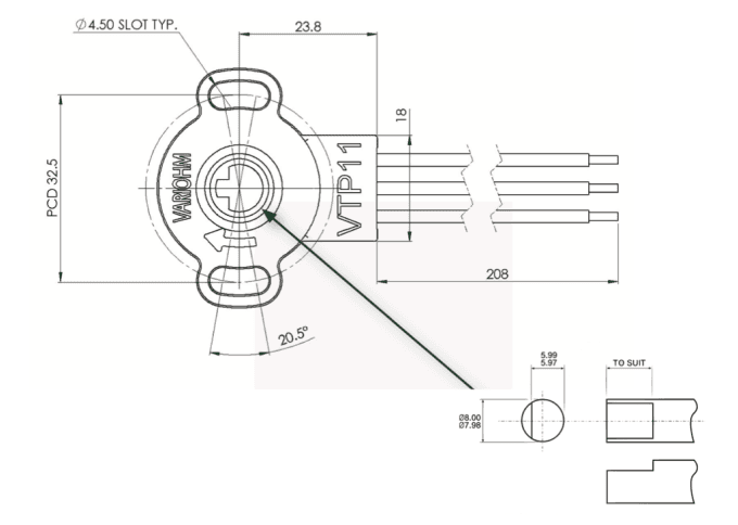
Dimensions du capteur de position rotatif Euro VTP11

Ce produit est disponible sur notre boutique de vente en ligne.







