
Utilisant la technologie effet Hall, cette série de capteurs de position rotatifs offre dans un diamètre de 28mm une solution parfaite pour les applications automobiles.
Conçue pour être intégrée dans les applications telles que les boîtes de vitesse séquentielles, les suspensions, la gestion des entrées d’air cette série est fiable et robuste.
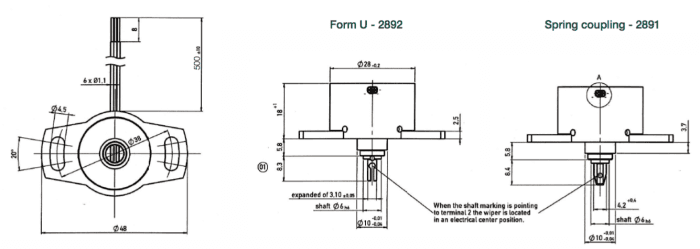
La plage de mesure est paramètrable, elle commence à 30° jusqu’à 360°.
Il s’alimente en 5Vdc pour un signal de sortie ratiomètrique 0.25V -> 4.75V
Le corps de ce capteur est disponible en aluminium ou en plastique avec 2 choix de liaison mécanique (voir photos ci-dessous).
Dimensions corps en aluminium :

Dimensions corps en plastique :

Construction de votre ref Euro XP :




