
Le capteur d’angle de la série SP2800 est doté d’une technologie plastique conductrice à longue durée de vie idéale pour les applications de sport automobile, notamment boîte de vitesses séquentielle, angle de braquage et suspension. Disponible dans des boîtiers durables en plastique ou en aluminium résistant à la température, ce capteur IP67 a une plage de température de fonctionnement de -40 à +150 °C.
- 28 mm de diamètre
- Montage simple
- Répétabilité exceptionnelle

- Linéarité excellente
- Longue durée de vie
- IP67
- Large plage de température de -40 à +150 °C
- Boîtier en plastique ou en aluminium
- Idéal pour :
- boîte de vitesses séquentielle
- angle de braquage
- suspension

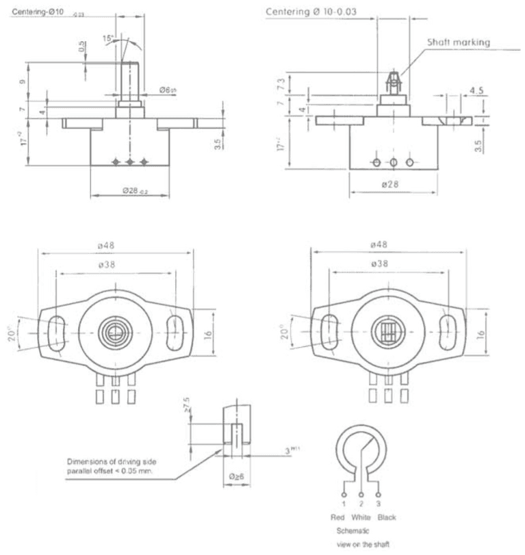
Dimensions capteur EURO SP2800 :

Nous pouvez opter pour un ensemble complet spécialement désigné pour vous :
– longueurs de câble,
– manchon supplémentaire
– connecteur spécifique
– capuchon de protection
Références Variohm pour le capteur d’angle SP2800 :
SP2836 100 002 101
SP2836 308 000 101
SP2836 345 065 101
SP2836 130 069 101
SP2846 100 002 101
SP2846 100 054 101
SP2846 100 067 102
SP2846 130 050 101
SP2846 345 065 101
SP2846 130 069 101
SP2846 308 000 101
SP2846 345 065 101
SP2846 350 082 101
SP2890 s 0002
SP2890 s 0054
SP2890 s 0050
SP2890 s 0069
SP2890 s 0065
SP2891 s 0069
SP2891 s 0065
Le « s » est réservé aux capteurs à boitier en aluminium, spécialment dédié aux sports automobiles et conditions extrèmes.

