
Conçue pour des plages de pression allant de 0,3 bar jusqu’à 10 bars, cette nouvelle gamme d’interrupteurs complète les capteurs de pression, de température et de position déjà disponibles chez VARIOHM.
Série EPS 02 – Corps en inox
-
- Plage de mesure
- 0,3 bar à 2 bars
- 1 à 10 bars
- Contact NO ou NC
- Plage de mesure
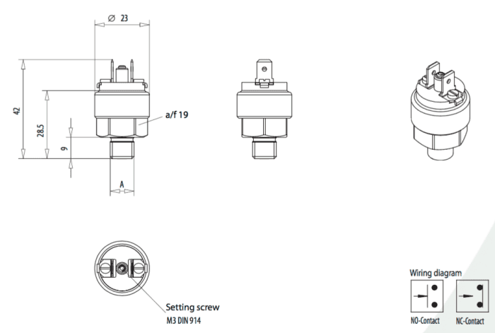
Dimensions interrupteur de pression EPS02 :

Construction interrupteur de pression EPS02 :


