
Le capteur de pression EPT7100 est en acier inoxydable. Il est parfait pour la mesure de pression des gaz et liquides.
Les applications principales sont les véhicules de chantier ou agricoles, la climatisation, les compresseurs, les process de gestion de l’eau, …
Grandes précision et stabilité, ce capteur convient pour tous vos besoins de contrôle et de monitoring.
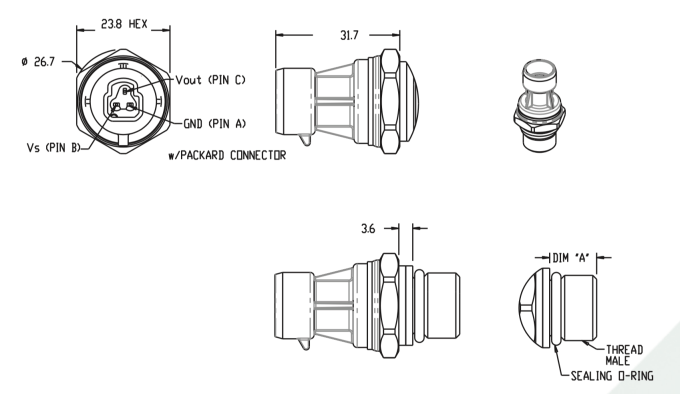
- Port : G 1/4“ Male, 1/4” NPT Male, 1/8” NPT Male, M10 – M10 x 1
- Alimentation : 5 Vdc
- Signal de sortie : 0.5..4.5 V – (5V )
- Plage de mesure : 1 bar à 10 bars
- Type de pression : Relative, Absolue
- Interface électrique : Packard connector
Dimension et connecteur pour capteur de pression EPT7100 :

Construction de la ref du capteur de pression EPT7100 :


