- Technologie d’effet Hall
- Longue durée de vie – extrêmement robuste
- Boîtier en aluminium ou en plastique
- Protection IP67 • sortie redondante (dual output)
- Temps de réponse court
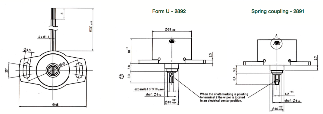
- Accouplement de forme U ou à ressort arbre de transmission
- Angles programmables à partir de 30° à 360°

Le nouveau capteur angulaire Euro-XP de 28 mm de diamètre est spécialement conçu pour les applications difficiles de rétroaction de position, pour les cycles de travail difficiles et dans tous les domaines du sport automobile, telles que la mesure de la boîte de vitesses séquentielle, du papillon des gaz et de la suspension. Avec une sélection d’angle programmable et un choix d’arbres d’entraînement à couplage en U ou à ressort, ce capteur à effet Hall compact et sans contact dispose d’une étanchéité IP67.

Forme à ressort 
Forme en U
Mécanique
- Cycle de vie typique > 50 millions de mouvements
- Couple : <0,8 Ncm (deux joints toriques)
- Plage de mesure : 360° redondant, signal 1 cw, signal 2 ccw
- Vitesse max. de fonctionnement 120 rpm
- Logement : Plastique ou aluminium anodisé résistant aux températures élevées
- Palier : bronze
- Arbre : Acier inoxydable – Accouplement à forme U ou à ressort
Environnement
- Température de fonctionnement -40 ° C à + 125 ° C (150 ° C à court terme)
- Tenue aux vibrations : 5 … 2000 Hz
Électrique
- Tension d’alimentation 5V +/- 0.5V
- Signal de sortie ratiométrique 5% … 95% de l’alimentation (+/- 25 mv de la plage de sortie électrique spécifiée pour les tensions de départ et d’arrivée)
- Linéarité indépendante +/- 0,5% de chaque plage de signal
- Résistance d’isolement 10 MΩ (500 VDC, 1 bar, 2s)
- Répétabilité <= 0,2% (en fonction des tolérances de montage)
- Connexion électrique : voir code de commande / schéma de câblage
DIMENSIONS CORPS EN ALUMINIUM :

DIMENSIONS CORPS EN PLASTIQUE :


